矩阵特征值\(\boldsymbol{\leftrightarrow}\)系统响应

引言

相信大家对以下两个公式并不陌生。

\[M\frac{d^2 y}{dt^2}+B\frac{dy}{dt}+K y = 0\] \[|\lambda I - A|=0\]

第一个式子是阻尼振动的方程,第二个是求矩阵特征值的方程。

在接下来的例子中我们将看到,如何通过矩阵的特征值,来分析线性零输入响应系统的状态。

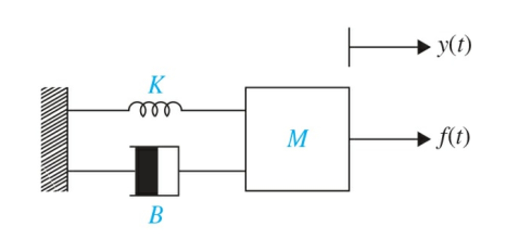
弹簧、阻尼与质量块模型

弹簧、阻尼与质量块图片
\[M\frac{d^2 y}{dt^2}+B\frac{dy}{dt}+K y = 0\]

\[x_{1}=y,\quad x_{2}=y^{\prime}\] \[X=\begin{bmatrix}x_{1} \\ x_{2}\end{bmatrix}\]

则上述二阶ODE化为

\[X' = AX\] \[A=\begin{bmatrix}0 & 1 \\ -\frac{K}{M} & -\frac{B}{M}\end{bmatrix}\] \[y=\begin{bmatrix}1 & 0\end{bmatrix}X\]

基物课上学过,通过判断\(\Delta =B^{2}-4MK\) 的正负性可分为过阻尼、临界阻尼和欠阻尼三种情形。
但此处不详细考虑这三种情形,而是按照\(B\)的正负性分为正阻尼(上述三种都属于此类)、零阻尼和负阻尼, 分别对应\(B>0\)、\(B=0\)和\(B<0\)。

正阻尼(以欠阻尼为例)

设\(M=1,\quad K=4,\quad B=1\)

\[A=\begin{bmatrix}0 & 1 \\ -4 & -1\end{bmatrix}\]

计算得到A的一对共轭特征值为

\[\lambda_{1}=-0.5+1.9365i,\quad v_{1}=\begin{bmatrix}0.894 & -0.447\end{bmatrix}^{T}\] \[\lambda_{2}=-0.5-1.9365i,\quad v_{2}=\begin{bmatrix}-0.447 & 0.894\end{bmatrix}^{T}\]

当存在复特征值\(\lambda=a+bi\)时,可得到两个线性无关的解(证明略)

\[y_{1}(t)=\begin{bmatrix}(Re\nu)\cos bt-(Im\nu)\sin bt\end{bmatrix}e^{at}\] \[y_{2}(t)=\begin{bmatrix}(Re\nu)\cos bt+(Im\nu)\sin bt\end{bmatrix}e^{at}\]

设初始值\(x(0)=\begin{bmatrix}5 \\0\end{bmatrix}\),即初始位置为5,初速度为0。计算线性组合的系数,最终得到

\[y(t) = e^{-0.5t}*((5\cos(1.9365t)) + 1.291\sin(1.9365t))\]

或者使用matlab直接求解二阶常微分方程得到

\[y(t) = e^{-t/2}/3*((15\cos(15^{1/2}*t/2)) + 15^{1/2}\sin(15^{1/2}*t/2))\]

代码如下

% matlab code syms y(t) M B K eqn = M*diff(y,t,2) + B*diff(y,t) + K*y == 0; Dy = diff(y,t); cond = [y(0)==5, Dy(0)==0]; ySol(t) = dsolve(eqn,cond)

注:动画持续约六个周期,重播需刷新网页

零阻尼

设\(M=1,\quad K=9,\quad B=0\)

计算得到A的一对共轭特征值为

\[\lambda_{1}=3i,\quad v_{1}=\begin{bmatrix}-0.3162i & 0.9487\end{bmatrix}^{T}\] \[\lambda_{2}=-3i,\quad v_{2}=\begin{bmatrix}0.3162i & 0.9487\end{bmatrix}^{T}\]

方程解为

\[y(t) = 5\cos(3t)\]

负阻尼(虚特征根)

设\(M=1,\quad K=9,\quad B=-1\)

计算得到A的一对共轭特征值为

\[\lambda_{1}=0.5+2.958i,\quad v_{1}=\begin{bmatrix}0.0527-0.3118i & 0.9487\end{bmatrix}^{T}\] \[\lambda_{2}=0.5-2.958i,\quad v_{2}=\begin{bmatrix}0.0527+0.3118i & 0.9487\end{bmatrix}^{T}\]

方程解为

\[y(t) = e^{0.5t}(5\cos(\sqrt{35}/2 t)-\sqrt{35}/7\sin(\sqrt{35}/2 t))\]

负阻尼(实特征根)

设\(M=1,\quad K=9,\quad B=-8\)

计算得到A的特征值为

\[\lambda_{1}=1.3542,\quad v_{1}=\begin{bmatrix}-0.5940 & -0.8045\end{bmatrix}^{T}\] \[\lambda_{2}=6.6458,\quad v_{2}=\begin{bmatrix}-0.1488 & -0.9889\end{bmatrix}^{T}\]

方程解为

\[y(t) = e^{(4-\sqrt{7})t}(10\sqrt{7}/7+5/2)+e^{(\sqrt{7}+4)t}(5/2-10\sqrt{7}/7)\]

总结

由上述四组实验可知,当特征值的实部的正负性决定了观测量是发散、不变还是收敛,虚部的大小反应了震荡的强度。

Summary
特征值 系统变化趋势 概括
1 1 震荡收敛
2 2 震荡
3 3 震荡发散
4 4 发散

附录

参考

作者